ANGET
Associazione Nazionale Genieri e Trasmettitori - Sezione di Milano
| ITA STAZIONI RT |
Marconi RT |
Marconi SFR V4 |
Marconi S3 |
Marconi S4 |
Marconi S4 |
Marconi S4 |
Marconi RT |
Marconi RT |
Marconi RT |
P2 |
R1 |
V1 |
R2 |
R2- 3 |
V1 R |
V1 BIS |
R3 | R4 | R4 A |
R4 D |
VS 4 |
R5 | R6 | ||
| Stato |
|||||||||||||||||||||||||
| Anno |
1911 |
1920 | 1935 | 1939 | 1926 | 1934 | 1924 | 1928 | |||||||||||||||||
| Potenza |
0,2 KW | 0,3 KW | 0,5 KW | 1,5 KW | 1,5 KW | 1,5 KW | 3 KW | 3 KW | 5 KW | ||||||||||||||||
| λ Tra |
m 680 1200 |
m 400 1200 |
m 500 700 |
m 600 950 |
m 600 1200 |
m 600 1200 |
m 600 1200 |
m 680 1200 |
m 680 1200 |
||||||||||||||||
| λ Ric |
m 400 1300 |
m 500 2000 |
m 250 1300 |
m 400 1300 |
m 400 1300 |
m 400 1300 |
m 400 2000 |
m 400 1300 |
m 400 1300 |
||||||||||||||||
| Portata |
30 km | 50 km |
80 km |
200 km | 200 km | 200 km | 300 km | 300 km | 300 km | vedi V1 BIS |
sost VS4 |
||||||||||||||
| App |
TRX camp dinamo pedali |
TRX soma Motore Phoebus |
TRX soma Motore Fiat 48 |
TRX soma Motore Fiat 51 |
TRX carretta Motore Fiat 49 |
TRX auto Motore Fiat 53A |
TRX fissa |
TRX auto Motore Fiat 53A |
TRX fissa |
TRX port |
TRX camp |
TRX camp |
TRX camp |
TRX camp |
TRX camp |
TRX camp |
TRX camp |
TRX camp |
TRX camp |
TRX camp |
TRX camp |
TRX camp |
TRX camp | ||
| ITA STAZIONI RT |
RF1 |
RF1 CA |
RF2 |
RF2 CA |
RF3 A |
RF3 C |
RF3 M |
RF 4 RF4 -D |
RF OC |
R4 D |
RI posto Ricev Portat |
IT posto Interc distur |
GM 33 RGP Rilev RGon |
GM 33 RGA interc RGon |
RG Telef unken |
RG Du Bourg |
E 393 RGon |
RA |
RA 1 |
RA 2 interc |
RI RI 2 interc T&T |
RI 1 |
RI 3 interc | AR 18 |
AR 772 |
| Stato |
1932 | 1932 | 1935 | 1928 | 1928 |
1928 | 1928 | 1928 | 1933 | 1940 |
1940 |
||||||||||||||
| Anno | |||||||||||||||||||||||||
| Potenza | |||||||||||||||||||||||||
| λ Tra | |||||||||||||||||||||||||
| λ Ric | |||||||||||||||||||||||||
| Portata |
|||||||||||||||||||||||||
| Trasporto |
SPA 25 |
auto carr |
auto carr |
Rimor RGon |
auto carr |
soma tricicl |
= RI1 e RI2 |
spalleg |
auto carr |
aviaz |
sommer | ||||||||||||||
| App | RX |
RX | RX | RX | RX | RX | RX | RX | RX | RX | RX | RX | RX | RX | RX | ||||||||||
|
ITA
STAZIONI
RT
|
AR 5 |
R A 400- 1 |
R.A 351/1 | ||||||||||||||||||||||
| 1933 |
1933 | 1933 |
1933
|
||||||||||||||||||||||
| ITA |
ITA |
ITA |
GER |
||||||||||||||||||||||
| aereo |
S 55 X |
S 55 X | S 55 X | S 55 X | |||||||||||||||||||||
| RX aviaz |
TX Aviaz |
TX rad segnal |
RG |
| REGIO ESERCITO 1911-12 1915-18 |
||
Stazioni RadiotelegraficheTab. Caratteristiche del Regio Esercito nella WW I |
RT Mobile Marconi Autostazione Potenza 3 Kw Portata 300 Km Trasm Lambda 680-1200 m Ricez Lambda 400-1300 m 2 ricev a valv e carb 2 autocarri Motore Fiat 53A |
|
| RT Marconi S4 Mobile Autostazione Potenza 1,5 Kw Portata 200 Km Trasm Lambda 600-1200 m Ricez Lambda 400-1300 m 2 ricev a valv e carb 2 autocarri Motore Fiat 53A |
RT Marconi S4 Mobile Carretta Potenza 1,5 Kw Portata 200 Km Trasm Lambda 680-1200 m Ricez Lambda 400-1300 m 2 ricev a valv e carb 2 carrette + Motore Fiat 49 |
RT Marconi S4 Mobile Someggiata 12 Cammelli Potenza 1,5 Kw Portata 200 Km Trasm Lambda 680-950 m Ricez Lambda 400-1300 m 1 ricev a valv e carb Motore Fiat 51 |
RT Marconi S3 Mobile Someggiata 5 Muli Potenza 0,5 Kw Portata 80 Km Trasm Lambda 500-700 m Ricez Lambda 250-1300 m 2 ricev a carb Motore Fiat 48 |
RT Marconi SFR V4 Mobile Someggiata 4 Muli Potenza 0,3 Kw Portata 50 Km Trasm Lambda 400 m Ricez Lambda 500-2000 m 1 ricev a carb o a galena Motore Phoebus |
RT Marconi Fissa Potenza 3 Kw Trasm Lambda 600-1200 m Ricez Lambda 400-2000 m 2 ricev a valv carb e Detector |
RT Marconi Fissa Potenza 5 Kw Trasm Lambda 600-1200 m Ricez Lambda 400-2000 m 3ricev a valv carb e Detector |
RT 200w alimentata a pedali REI Libia conflitto italo-turco del 1911-1912 |
![]() RT 200w alim a pedali - Libia oasi Radio Molo Cp RT Tripolitania anni '20 |
![]() Radio Stazione Caserma Molo Tripoli Radio Molo Cp RT Tripolitania anni '20 |
AEREI SU ANTENNE![]() Aereo ad asse orizzontale marconiano adottato dal Genio RT REI |
![]() Aereo verticale usato da Marconi nel 1895 adottato dal Genio RT REI |
![]() Antenna aereo ad ombrello adottato dal Genio RT REI |
Aereo ad L rovesciata su 2 antenne adottato dal Genio RT REI |
![]() 3 configurazioni di antenne aerei adottate dal Genio RT REI |
|
|
||
| STAZIONI RADIO RT (RiceTrasmittenti Telefoniche e Telegrafiche) P2, R1, V1, V1 BIS, R2, R2-3, V1R, R3, VS4, R4, R4A, R4D, R5, R6 1920 - 1939 |
||
![]() Stazione P2 RT Portatile (1920) Primo complesso RT a valvole (Officina Radiotelegrafica del Genio) 1 aereo bifilare su 2 antenne con portata Telefonica 40 km, Telegrafica 150 km onde continue, 80 km onde modulate |
![]() Stazione R1 RT Spalleggiabile in uso fra reparti in movimento Rice Trasmittente con antenna a telaio |
![]() Stazione V1 campale leggera , la prima ad onde persistenti da 0,1 KW di potenza impiegata con successo dal REI nelle Grandi Manovre del Canavese |
![]() Stazione V1 BIS da 0,2 Kw ovvero la V 1 modificata nel 1926 RadioTelegrafica Rice-Trasmittente Isoonda, ad interruzione, impiegata all'interno delle le GU aereo a telaio circolare di 1,5 Kg, portata 10 Km trasportabile a spalla, muli, mototriciclo Nel 1927 fu chiamata R2 |
![]() Stazione R2 (1935) spalleggiabile o someggiata in uso ai reparti minori RT a valvole isoonda ad interruzione in 3 cofani, Peso 35 Kg Portata 8 - 10 km |
![]() Stazione R2 campale Radiotelegrafisti |
![]() R2 1940 (Esposta Anget BS 12-03-2016 Montichiari) |
![]() R2 1940 (Esposta Anget BS 12-03-2016 Montichiari) |
![]() R2 1940 (Esposta Anget BS 12-03-2016 Montichiari) |
Stazione R2 (1935) su motocarrozzetta triciclo stile sidecar |
Stazione R2 (1935) o R2-3 (1939)
anche su motocarrozzetta triciclo |
![]() Stazione R2 - 3 (1939) Peso 76 Kg portata 25 Km su motocarrozzetta triciclo spalleggiabile e someggiata sostituì le precedenti R2 e R3 |
![]() Scheda delle Stazioni R2 1935 ed R2-3 1939 |
![]() Stazioni R2 1935 ed R2-3 1939 (in dettaglio) |
![]() Stazioni R2 1935 ed R2-3 1939 (Composizione) |
![]() Stazioni R2 1935 ed R2-3 1939 (Mezzi di Trasporto) |
![]() Stazioni R2 1935 ed R2-3 1939 (spalleggiabile) |
![]() Stazioni R2 1935 ed R2-3 1939 (Caratteristiche Elettriche) |
![]() Stazioni R2 1935 ed R2-3 1939 (Antenna e Cofani) |
![]() Stazioni R2 1935 ed R2-3 1939 (Cofano Apparati) |
![]() Stazioni R2 1935 ed R2-3 1939 (Cofano Apparati in dettaglio) |
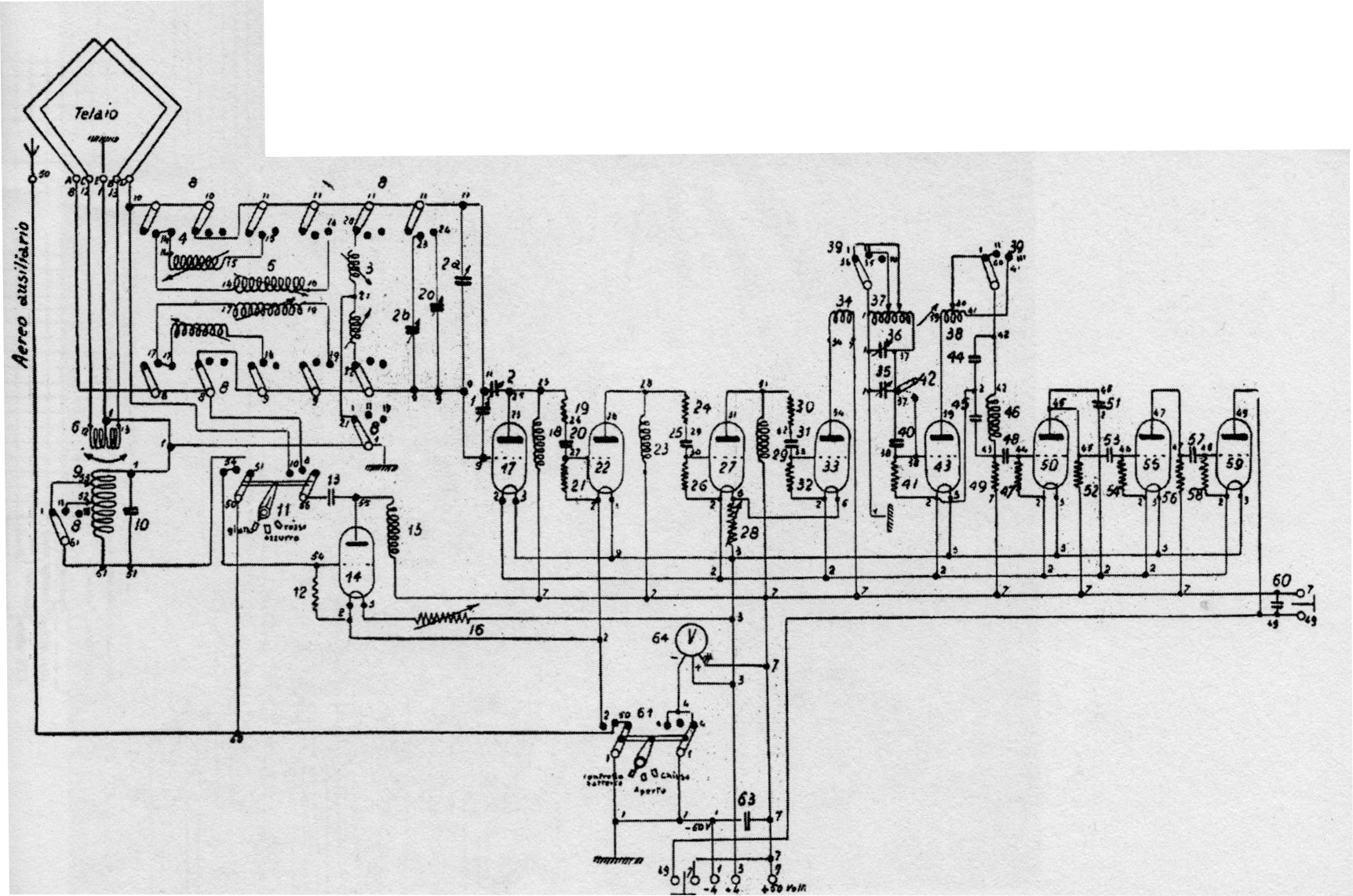
![]() Stazioni R2 1935 ed R2-3 1939 (Schema Elettrico) |
![]() Stazioni R2 1935 ed R2-3 1939 (Primo Cofano in dettaglio) |
![]() Stazioni R2 1935 ed R2-3 1939 (Secondo e Terzo Cofano in dettaglio) |
![]() Stazioni R2 1935 ed R2-3 1939 (in assetto di servizio) |
![]() Stazioni R2 1935 ed R2-3 1939 (Note) |
![]() Stazioni R2 1935 ed R2-3 1939 (Copertina ManualeSinossi) |
![]() Stazione V 1 R ovvero la V 1 BIS da 0,2 Kw rinforzata RadioTelegrafica Rice-Trasmittente Isoonda, ad interruzione, impiegata all'interno delle le GU aereo a telaio forma ellittica di 2,0 Kg, portata media 25 Km trasportabile a spalla, muli, mototriciclo Negli anni '30 fu chiamata R3 |
![]() Stazione R 3 RT Isoonda ad Interruzione impiegata someggiata e spalleggiata nelle GU e nei Reparti Celeri, assegnata ai Btg. RT di C/di Armata e Cp RT dei C/di di CA, Sezioni RT Div Fanteria, Div. Celeri e a Reparti altre Armi |
Stazione R3 RT Isoonda ad Interruzione |
Stazione R3 someggiata |
![]() Stazione R4 era la V2 someggiabile così denominata se destinata ai Btg RT del C/do Supremo , dei C/di di Armata, alle Cp RT C/di di CA, alle Sezuioni RT delle Div. Fanteria e Div. Celeri. |
![]() Stazione R4 A realizzata nel 1934 Radio Telef e Telegr RiceTrasmittente a OM in 6 cofani Peso 350 Kg someggiata Portata 70 Km in RadioTelegrafia e 60 Km in radioTelefonia destinata colleg bilaterale tra C/di di GU e Aeromobili in volo impiegata someggiata e spalleggiata |
Stazione R4 someggiata |
![]() Stazione V S 4 (1924) Potenza 1,5 Kw su stesso autoveicolo opportunamente modificata nel 1924 1 posto a sciintilla da 1,5 Kw ed uno a valvola da 0,5 Kw entrambi usavano stesso Gruppo Elettrogeno e lo stesso circuito oscillante primario- impiegata colleg tra C/do Supremo, C/di di Armata, di CA e di Unità Celeri |
![]() Stazione R5 aveva sostituito la VS4 da 1,5 Kw impiegata colleg tra C/do Supremo, C/di di Armata, di CA e di Unità Celeri, Portata 300 Km in radiotelegrafia, di 100 KM in radiotelefonia usando un aereo bifilare Assegnata Btg RT C/do Supremo, dei C/di Armata e alle Sezioni RT Div. Celeri. Le parti Rice e Trasmittentecontenute in un cofano metallico peso 27 Kg. trasporto su 2 autoveicoli leggeri. |
![]() Stazione R5 autocarrata |
Stazione R5 a valvole sistemata su autocarro |
Stazione R5 a valvole trasportata da 2 autocarri |
|
|
![]() Stazione R6 realizzata nel 1928 mettendo assieme 2 stazioni Radio telegrafica e Radio telefonica impiego Btg RT del C/do Supremo Portata OL 500 Km in RTelegrafia, 300 in RTelefonia Portata OM 1100 Km in RTelegrafia, 700 in RTelefonia Portata OC 4000 Km in RTelegrafia Trasporto su 2 autocarri speciali Cirano 50 CMA |
|
| STAZIONI RADIO RF (RiceTrasmittenti Telefoniche e Telegrafiche) RF1, RF1CA, RF2, RF3A, RF3C, RF3 M, RF2CA , RF4, RFOC, R4D |
||
![]() Lo sviluppo delle Radio comunicazioni REI iniziò dopo il 1930 |
||
![]() Mezzi di Collegamento del Regio Esercito |
||
![]() Tavola di confronto e di utilizzo RF |
Stazione RF1 allestita per il RadioTelegrafista a terra, postazione fissa |
![]() Stazione RF1CA-TR7 Apparato RiceTrasmittitore campale, auto e carriarmati portata da 2 a 10 Km gamma 27,2 - 33,4 MHz 10 valvole, 10 W Fona e Telegrafia |
![]() Stazione RF1CA-TR7 |
![]() Stazione RF1CA-TR7 |
![]() Stazione RF2 1926 operatori radio realizzata dalla Officina Militare RT |
![]() Stazione RF3A |
Stazione RF3A |
![]() Stazione RF3A |
Stazione RF3C |
![]() RTelegrafica e RTelefonica Isoonda con Duplex telefonico ed aereo a telaio , 6 cofani e trasportato su muli e su mototriciclo assegnata ai Reparti del Genio delle Div. Celeri e Motorizzate Portata media 60 Km in RTelegtrafia 40 Km in Radiofonia Stazione RF3C |
Stazione RF3C |
![]() Stazione RF3C |
||
![]() Stazione RF3C campale |
![]() Stazione RF3C Mod. 1936 scheda |
![]() Stazione RF3C Mod. 1936 |
![]() Stazione RF2CA e RF3 M su autoblinde 1941 |
![]() Stazione RF2CA e RF3 M su autoblinde 1941 |
![]() Stazione RF2CA e RF3 M fissaggio su autoblinde 1941 |
![]() Stazione RF2CA e RF3 M fissaggio su autoblinde 1941 |
![]() Stazione RF2CA e RF3 M schema su autoblinde 1941 |
![]() Stazione RF2CA e RF3 M antenne a raggiera su autoblinde 1941 |
![]() Stazione RF4 per comunic con aerei REI WWII con basto di someggio |
![]() Stazione RF4 per comunic con aerei REI WWII con basto di someggio |
![]() Stazione RF4 per comunic con aerei REI WWII con basto di someggio |
![]() RF4 D 1940 comunicazione aerea Allocchio Bacchini (Esposta Anget BS 12-03-2016 Montichiari) |
![]() RF4 D 1940 comunicazione aerea Allocchio Bacchini (Esposta Anget BS 12-03-2016 Montichiari) |
![]() RF4 D 1940 comunicazione aerea Allocchio Bacchini (Esposta Anget BS 12-03-2016 Montichiari) |
![]() RF4 D 1940 comunicazione aerea Allocchio Bacchini (Esposta Anget BS 12-03-2016 Montichiari) |
![]() Stazione RF4 Rice-Trasmettitore |
|
Stazione RFOC 1935 |
![]() Stazione RFOC 1935 per i Reparti Coloniali del Genio colleg tra C/di di Unità 3 cofani peso 210 Kg trasporto su Cammelli o su autocarri Portata 1000 Km in RTelegrafia, 400 Km in RTelefonia |
![]() Stazione RFOC 1935 |
![]() Stazione R4 D 1933 con Apparato R.T.M. radiocomando per segnalazioni radio-telemeccaniche (Luminose - acustiche) tra le opere difensive di frontiera |
||
| RICEVITORI RADIO MILITARI DELLA REGIA AERONATICA E REGIA MARINA |
||
| Link http://www.crocieradeldecennale.it/mezzi.php?idmezzo=5 | La crociera del decennale 1933 2^ trasvolata atlantica | vedi Cabina Radio SM 55 X |
| Una
dotazione radioelettrica più completa fu quella adottata per la
crociera aerea dell’Atlantico del Nord, effettuata dal 1 luglio al 15
agosto 1933 con velivoli S.55X, dove furono installati nuovi radiogoniometri oltre ai trasmettitori e ricevitori di ultima generazione che consentivano trasmissioni in fonia e telegrafia. |
||
| RADIOGONIOMETRI IN CABINA DI BORDO RG Telefunken mod. Spez 173 N nuovi radiogoniometri, o indicatori di rotta, in OL OM erano di progetto e costruzione Telefunken mod. SPEZ 173 N, funzionante nella gamma 170 ÷ 750 kHz ed utilizzavano 9 valvole. |
||
![]() Cabina RT S 55X - Telefunken mod. SPEZ 173 N, |
![]() Cabina RT S 55X - Telefunken mod. SPEZ 173 N, |
![]() Cabina RT S 55X - Telefunken mod. SPEZ 173 N, |
![]() RG Telefunken mod. SPEZ 173 N Schema Elettrico |
![]() Cabina RT S 55X - Telefunken mod. SPEZ 173 N usato dal radiotelegrafista marconista di bordo |
![]() Cabina RT S 55X - Telefunken mod. SPEZ 173 N usato dal radiotelegrafista marconista di bordo |
| R. A. 400 /1 TX |
AR 5 RX |
RA 351/ 1 TX segnal |
![]() R A 400 / 1 Regia Aeronautica |
![]() RX A-R-5 Regia Aeronautica Magneti Marelli (Anget BS 12/03/2016 Montichiari ) |
Oltre alla dotazione comune a tutti i velivoli, per i capi squadriglia
vi era un apparato trasmittente che poteva essere utilizzato per le
comunicazioni tra i velivoli. Gli apparati, realizzati su specifiche
della DSSE di Guidonia, erano noti con la sigla R.A. 351/1 e furono costruiti dalla SAFAR . sugli apparecchi degli 8 capi squadriglia, 1 radio segnalatore
destinato alla trasmissione di ordini agli altri apparecchi della
formazione di tipo R.A 351/1 costruito dalla SAFAR su specifiche della
DSSE di Guidonia; è costituito da un minuscolo trasmettitore a cui, per
le dimensioni ridotte, i crocieristi hanno dato nome radiobalilla. |
![]() R A 400 / 1 Mulinello generatore su ala dx |
![]() RX A-R-5 Regia Aeronautica |
I dati tecnici essenziali erano: • 1 cofano trasmettitore (che impiegava 3 valvole), funzionante su 3 gamme: −− onde lunghe, da 300 a 1000 kHz; −− onde medie, da 850 a 1500 kHz; −− onde corte, da 3,5 a 8,5 MHz; con modulazione telegrafica e telefonica, o con telegrafia ad interruzione di portante; • 1 cofano ricevitore (che impiegava 4 valvole), funzionante su 6 gamme: −− da 7,0 a 15 MHz; ---da 3,8 a 15 MHz; −− da 1,8 a 4,1 MHz; ---da 0,85 a 2 MHz; −− da 350 a 890 kHz; ---da 160 a 420 kHz. |
![]() RX A-R-5 Schema di Bordo su S55X |
![]() RX A-R-5 Schema Elettrico |
![]() RX A-R-5 frontale |
|
|
||
![]() Stazione AR18 Ricevitore 5 valvole, Fonia e Telegrafia bande 200-580 KHz e 0,7 - 22 MHz inst su Aerei media grande portata RA WWII |
![]() Stazione AR18 Ricevitore 5 valvole, Fonia e Telegrafia bande 200-580 KHz e 0,7 - 22 MHz inst su Aerei media grande portata RA WWII |
![]() Stazione AR18 Ricevitore 5 valvole, Fonia e Telegrafia bande 200-580 KHz e 0,7 - 22 MHz inst su Aerei media grande portata RA WWII |
![]() Stazione AR772 Ricevitore derivato da AR18 aeronautico 5 valvole, Fonia e Telegrafia banda 0,75-21,1 MHz inst su Sommergibili RMM WWII |
![]() Stazione AR772 Ricevitore derivato da AR18 aeronautico 5 valvole, Fonia e Telegrafia banda 0,75-21,1 MHz inst su Sommergibili RMM WWII |
![]() Stazione AR772 Ricevitore derivato da AR18 aeronautico 5 valvole, Fonia e Telegrafia banda 0,75-21,1 MHz inst su Sommergibili RMM WWII |
| POSTI RT - RA - RG - RI (Ascolto, Goniometrici, Intercettazione e Disturbo) |
||
![]() RI Posto Ricevente Portatile assegnato ai Btg RT (C/do Supremo, C/di Armata) e a Sez RT (Div Celeri) |
Posto Ricevente Portatile |
Posto Ricevente Portatile |
![]() POSTO IT - (1932) Intercettazione e Disturbo assegnato ai Btg RT dei C/di Armata |
![]() POSTO GM 33 RGP - (1932) Rilevamenti Radiogoniometrici assegnato ai Btg RT dei C/di Armata |
![]() POSTO GM 33 RGA - (1935) Autoveicolo SPA 25 C10 Individuazione Radiogoniometrica Gamma Frequenze |
![]() Posto Radiogoniometrico RG Telefunken su auto |
Posto Radiogoniometrico RG Du Bourg su auto |
![]() Rimorchio Radiogoniometrico tipo E-393 |
![]() Stazioni di Radio Ascolto e Intercettazione RA1, RA2, RI e RI2 e RI3 (dopo 1928) |
![]() |
![]() Posto RA 1 (1928) assegnato a Cp RT dei C/di di C.A. (vedi nota 8) |
![]() Posto RA 2 (1928) Stazione di Radio Ascolto e Intercettazione di aerei in volo 3 antenne aerei rettangolari a telaio 3 gamme d'onda 2 cofani appar+access Peso 32 Kg su mototriciclo / someggiato Trasm tipo A 80 - ricezione raggio 30 km Trasm tipo A200 - ricezione raggio 50 km assegnato ai Btg RT C/do Supremo e C/di d'Armata |
![]() Posti RI e RI 2 (1928) con questa sigla solo quando impiegati per i C/di G.U. per Intercettazione stazioni RT telefoniche e tegrafiche terrestri (identici ai Posti RI 1 e RI 2) |
Posto RI 1 Portatile spalleggiabile (1928) |
![]() Posto RI 3 (1933) su autocarro speciale 3 ricevitori , ognuno di 2 complessi OC e OM-OL operanti in contemporanea ( 2 sull' auto e 1 a terra) 2 aerei aperti unifilari sostenuti da antenna acciaio Presa di terra 2 reti bronzo fosforoso |
![]() Posto RI 3 autocarrato (1933) |
Posto RI 3 su autocarro (1933) |
Posto RI 3 autocarrato (1933) |
Posto RI 3 Stazione REI (1933) |
![]() Posto RI 3 Stazione REI (1933) |
| CARRI RADIO |
||
![]() Autocarica accumulatori A.C. (1932) automezzo speciale per la carica Accumulatori Gr. Elettrogeno, batteria Accumulatori Ferro Nichel Distillatori e Preparaz Elettroliti assegnato ai Btg RT del C/do Supremo e C/di di Armata |
Autofficina A.O. (1932) |
![]() Autofficina (1932) automezzo speciale con attrezz e mat.li per riparazione campale RT alim Dinamo e/o Gen elettr esterni assegnata ai Btg.RT C/do Supremo, C/di d'Armata, Cp RT C/di CA, Sezioni RT Div. Celeri |
Automisure A.M. (1932) |
Carro Radio REI su autocarro SPA 38 |
Carro Radio REI su autocarro SPA 38 |
Carro Radio REI su autocarro SPA 38 (Collezione Gen. Cremona) |
Carro Radio REI su autocarro SPA 38 interno la plancia radio |
Carro Radio REI su autocarro SPA 38 Alternatore Trifase su trasmissione |
Apparato Radio REI su autocarro SPA Dovunque 35 |
Carro Radio e Rimorchio Centro radio REI su autocarro SPA Dovunque 35 |
Centrale Militare Telegrafonica su carro rimorchio |
Lancia 3RO a dx e Trattore TL37 con rirchio Viberti a sx |
![]() Mototriciclo Guzzi Radio stazione RT R2 dettaglio |
![]() Mototriciclo Guzzi in 4 versioni, tra le quali anche Radio stazione RT R2 |
![]() Operl Blitz Regia Aeronautica colore Grigio Luftwaffe 1944 |
![]() Stazione Radio RT su camion Fiat 626 REI |
![]() poi su camion Fiat 639 REI |
Aggiornamento in data il 29/01/2017 by da IZ2TQY
Archivio Fotografico: IW2NTC - IZ2TQY
ANGET SEZIONE DI MILANO - MILANO, VIA VINCENZO MONTI N. 59 - CASERMA 24 MAGGIO